GX...T Series

GX80T

Bearing number:GX…T 10~360

Sliding contact SurfacesSteel/PTFE Fabric

Design characteristics Bearing housing washer of carbon chromium steel, hardened,with sliding surface of PTFE fabric.Shaft washer of carbon chromium steel,hardened,sliding surface hard chromium plated.

Permissible operating temperature range :-50℃­~+150℃


  • GX...T Series
  • GX...T Series

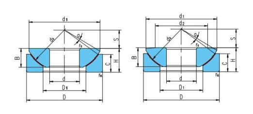
Dimension and Parameters

Bearing number :GX80T
Dimensions mm
d :80
D :180
B :43.5
C :38
H :50
dk :197
S :42.5
d₁ max :172
d₂ :
D₁ min :107.5
rs,r1s min :1
α° ≈ :4
Load ratings kN
Dynamic :3620
Static :6030
Weight ≈kg :6.91
Select a language