Bearing number:GEZ…ET-2RS 19.05~152.4
Sliding contact Surfaces:Steel/PTFE Fabric
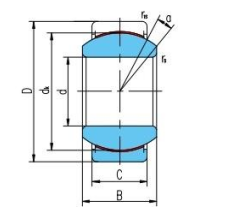
Design characteristics :Inch series radial spherical plain bearings maintenance -free,outer ring of carbon chromium steel ,fractured, hardened and phosphated ,with two seals at both sides ,with sliding surface of PTFE fabric;Inner ring of carbon chromium steel ,hardened ,sliding surface treated with hard chromium plating.Outer ring of the XT design axially split twice,held together by retaining rings.
Permissible operating temperature range :-30℃~+130℃


Select a language