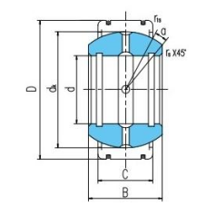
Bearing number:GEK...XS-2GS 25~60
Sliding contact Surfaces:Steel/Steel
Design characteristics :Outer ring axially split twice, held together by retaining rings,outer ring of carbon chromium steel, hardened and fitted with seals at both sides. Inner ring of carbon chromium steel,hardened, sliding surface treated with hard chromium plating.
Permissible operating temperature range :-25℃~+120℃


Select a language